Home
(844) 350-9607
Cart
Shop Parts
Shop Accessories
My Account
Log In
Register
Track Orders
Policies
Terms & Conditions
Privacy Policy
Return Policy
Shipping Policy
My Account
Track Orders
Contact Us
Cart
Cart is Empty
Home
Parts Categories
Accessories
About Us
icons
2002 Dodge Ram 2500
×
Recent Vehicles
2002 Dodge Ram 2500
Base 8.0L V10 - Gas
Catalog
Add Vehicle
Search All Vehicles
Delete All Vehicles from My Garage
Search Bar 3
Search by Part Number(s), Keywords, or VIN
Air Intake & Fuel Delivery
Fuel Tanks
Air Intake Systems
Fuel Injectors
Air Cleaner Assemblies
Fuel Pumps
Brakes
Brake Calipers
Brake Pads
Brake Drums
Brake Pads & Shoes
Brake Discs, Rotors & Hardware
Cooling Systems
Hoses & Clamps
Radiators & Parts
Thermostats & Parts
Water Pumps
Oil Coolers
Engine Components
Camshafts, Lifters & Parts
Motor Mounts
Valve Covers
Belts, Pulleys & Brackets
Cylinder Heads & Parts
Gaskets
Oil Pan Gaskets
Intake Gaskets
Exhaust Gaskets
Full Set Gaskets
Lighting
Tail Lights
Headlights
Instrument Panel
Turn Signals
Side Marker Lights
Suspension & Steering
Control Arms & Parts
Coil Springs
Shocks & Struts
Sway Bars
Tie Rod Linkages
Wheels, Tires & Parts
Wheel Center Caps
Wheel Lugs
Wheel Hubs & Bearings
Wheels
Tire Pressure Monitoring System
Interior Accessories
Cargo
Cup Holders
Dash Parts
Electronics
Floor Mats & Carpets
Interior Mirrors
Shifters
Sun Visors
Exterior Accessories
Roof Racks
Splash Guards & Mud Flaps
Spoilers & Wings
Tire Accessories
Home
2002 Dodge Ram 2500
Base 8.0L V10 - Gas
Frames
Frames for 2002 Dodge Ram 2500
Vehicle
2002 Dodge Ram 2500
Change Vehicle
Categories
All
Parts
Air Conditioning & Heater
Air Conditioner and Heater Controls
Air Conditioner and Heater Plumbing
Air Conditioner and Heater Units
Air Conditioning Compressor
Air Conditioning Compressor Mounting
Air Ducts and Outlets
Automatic Transmission 4 Speed
Bands, Reverse and Kickdown
Case and Extension
Gear Train
Gearshift Controls
Oil Pump
Overdrive Gear Train
Transmission Assembly
Valve Body
Body Sheet Metal Except Doors
Aperture Panel
Cowl and Dash Panel
Floor Pans
Front Fenders
Glass and Rear View Mirror
Hood & Hood Release
Plugs
Quarter Panel and Pillar
Roof Panel
Roof Panels
Tailgate
Clutch
Clutch
Clutch Controls
Clutch Housing
Clutch Pedals
Cooling
Drive Belts
Grilles
Lines, Transmission Oil Cooler
Pulleys and Related Parts
Radiator and Related Parts
Tank, Coolant Engine
Water Pump and Related Parts
Doors and Related Parts
Exterior Mirror
Front Door
Rear Door
Weatherstrips and Seals
Electrical
Alternators
Battery Tray and Cables
Horns
Lamps - Front, Rear and Courtesy
Modules
Relays
Sensors
Single Board Engine Controllers
Spark Plugs-Cables-Coils
Starters
Switches
Wiring Repair
Wiring-Body & Accessories
Wiring-Engine & Related Parts
Wiring-Headlamp to Dash
Wiring-Instrument Panel
Emission Systems
Air Pumps
Emission Harness
Emission Labels
Vacuum Canister
Engine 5.9L Eight Cylinder
Camshafts & Valves
Crankcase Ventilation
Crankshaft, Pistion and Torque Converter
Cylinder Block
Cylinder Head
Engine Oiling
Manifolds
Timing Belt and Cover
Engine 5.9L Six Cylinder (Diesel)
Crankshaft, Piston and Torque Converter
Engine 8.0L Ten Cylinder (Truck)
Camshafts & Valves
Crankcase Ventilation
Crankshaft, Piston and Torque Converter
Cylinder Block
Cylinder Head
Engine Oiling
Manifolds
Timing Belt and Cover
Engine Mounting
Exhaust
Exhaust System
Heat Shields
Exterior Ornamentation
Decals and Tapestripes
Moldings and Ornamentation
Nameplates
Frames and Bumpers
Body Hold Down
Frames
Front Bumper and Fascia
Rear Bumper and Fascia
Front Suspension & Drive
Front Axle Assembly
Front Axle Differential
Front Axle Disconnect
Front Axle Drive Shafts
Front Axle Housing
Front Suspension
Fuel
Accelerator Pedal
Air Cleaner
Air Intake System
Fuel Lines
Fuel Pump and Sending Unit
Fuel Rail
Fuel Tank Filler Tube
Speed Control
Tank, Fuel
Throttle Body
Throttle Controls
Instrument Panel and Radios and Consoles
Consoles
Instrument Panel
Instrument Panel Cluster
Radio, Antenna, and Speakers
Interior Trim
Adjusters, Covers, Shields, and Risers
Carpet
Door Trim Panels
Door Trim Panels-Front and Rear
Front Seats and Attaching Parts
Headliner and Visor
Moldings, Scuff Plates
Rear Seats
Rear Storage Compartment
Seat Belts
Seat Belts-Front and Rear
Manual Transmission 5 Speed
Case and Extension
Fork and Rails
Gear Train
Gearshift Controls
Transmission Assembly
Manual Transmission 6 Speed
Case and Extension
Gear Shift Controls
Mopar Accessories - Component Parts
4 - Wheeling & Off Road
Audio & Electronics
Carriers & Cargo Hauling
Driving Convenience
Exterior Appearance
Exterior Protection
Fog Lights & Electrical
Security
Parking Brake
Parking Brake Lever and Cables
Propeller Shafts and U-Joints
Propeller Shaft
Rear Axle
Differential and Housing
Rear Axle
Rear Axle Vent
Rear Suspension
Rear Stabilizer
Rear Suspension
Service Brakes
Brake Lines and Hoses
Brake Master Cylinder
Brake Pedals
Front Brakes
Power Brake Booster
Rear Brakes
Steering
Power Steering Hoses
Power Steering Pump
Steering Column
Steering Gear
Steering Linkage
Steering Wheel
Transfer Case Model 241 [DHE, DHG, DHH]
Case and Related Parts
Fork and Rails
Gear Train
Gearshift Controls
Transfer Case Assembly
Wheels, Covers and Jacks
Jack Stowage
Spare Tire Stowage
Wheel Covers and Center Caps
Wheels and Hardware
Wiper/Lock Cylinder and Keys
Lock Cylinders and Keys
Windshield Wiper and Washer Systems
Air Conditioning & Heater
Air Conditioner and Heater Controls
Air Conditioner and Heater Plumbing
Air Conditioner and Heater Units
Air Conditioning Compressor
Air Conditioning Compressor Mounting
Air Ducts and Outlets
Automatic Transmission 4 Speed
Bands, Reverse and Kickdown
Case and Extension
Gear Train
Gearshift Controls
Oil Pump
Overdrive Gear Train
Transmission Assembly
Valve Body
Body Sheet Metal Except Doors
Aperture Panel
Cowl and Dash Panel
Floor Pans
Front Fenders
Glass and Rear View Mirror
Hood & Hood Release
Plugs
Quarter Panel and Pillar
Roof Panel
Roof Panels
Tailgate
Clutch
Clutch
Clutch Controls
Clutch Housing
Clutch Pedals
Cooling
Drive Belts
Grilles
Lines, Transmission Oil Cooler
Pulleys and Related Parts
Radiator and Related Parts
Tank, Coolant Engine
Water Pump and Related Parts
Doors and Related Parts
Exterior Mirror
Front Door
Rear Door
Weatherstrips and Seals
Electrical
Alternators
Battery Tray and Cables
Horns
Lamps - Front, Rear and Courtesy
Modules
Relays
Sensors
Single Board Engine Controllers
Spark Plugs-Cables-Coils
Starters
Switches
Wiring Repair
Wiring-Body & Accessories
Wiring-Engine & Related Parts
Wiring-Headlamp to Dash
Wiring-Instrument Panel
Emission Systems
Air Pumps
Emission Harness
Emission Labels
Vacuum Canister
Engine 5.9L Eight Cylinder
Camshafts & Valves
Crankcase Ventilation
Crankshaft, Pistion and Torque Converter
Cylinder Block
Cylinder Head
Engine Oiling
Manifolds
Timing Belt and Cover
Engine 5.9L Six Cylinder (Diesel)
Crankshaft, Piston and Torque Converter
Engine 8.0L Ten Cylinder (Truck)
Camshafts & Valves
Crankcase Ventilation
Crankshaft, Piston and Torque Converter
Cylinder Block
Cylinder Head
Engine Oiling
Manifolds
Timing Belt and Cover
Engine Mounting
Exhaust
Exhaust System
Heat Shields
Exterior Ornamentation
Decals and Tapestripes
Moldings and Ornamentation
Nameplates
Frames and Bumpers
Body Hold Down
Frames
Front Bumper and Fascia
Rear Bumper and Fascia
Front Suspension & Drive
Front Axle Assembly
Front Axle Differential
Front Axle Disconnect
Front Axle Drive Shafts
Front Axle Housing
Front Suspension
Fuel
Accelerator Pedal
Air Cleaner
Air Intake System
Fuel Lines
Fuel Pump and Sending Unit
Fuel Rail
Fuel Tank Filler Tube
Speed Control
Tank, Fuel
Throttle Body
Throttle Controls
Instrument Panel and Radios and Consoles
Consoles
Instrument Panel
Instrument Panel Cluster
Radio, Antenna, and Speakers
Interior Trim
Adjusters, Covers, Shields, and Risers
Carpet
Door Trim Panels
Door Trim Panels-Front and Rear
Front Seats and Attaching Parts
Headliner and Visor
Moldings, Scuff Plates
Rear Seats
Rear Storage Compartment
Seat Belts
Seat Belts-Front and Rear
Manual Transmission 5 Speed
Case and Extension
Fork and Rails
Gear Train
Gearshift Controls
Transmission Assembly
Manual Transmission 6 Speed
Case and Extension
Gear Shift Controls
Mopar Accessories - Component Parts
4 - Wheeling & Off Road
Audio & Electronics
Carriers & Cargo Hauling
Driving Convenience
Exterior Appearance
Exterior Protection
Fog Lights & Electrical
Security
Parking Brake
Parking Brake Lever and Cables
Propeller Shafts and U-Joints
Propeller Shaft
Rear Axle
Differential and Housing
Rear Axle
Rear Axle Vent
Rear Suspension
Rear Stabilizer
Rear Suspension
Service Brakes
Brake Lines and Hoses
Brake Master Cylinder
Brake Pedals
Front Brakes
Power Brake Booster
Rear Brakes
Steering
Power Steering Hoses
Power Steering Pump
Steering Column
Steering Gear
Steering Linkage
Steering Wheel
Transfer Case Model 241 [DHE, DHG, DHH]
Case and Related Parts
Fork and Rails
Gear Train
Gearshift Controls
Transfer Case Assembly
Wheels, Covers and Jacks
Jack Stowage
Spare Tire Stowage
Wheel Covers and Center Caps
Wheels and Hardware
Wiper/Lock Cylinder and Keys
Lock Cylinders and Keys
Windshield Wiper and Washer Systems
Browse Categories
×
Select category
All
Parts
Air Conditioning & Heater
Air Conditioner and Heater Controls
Air Conditioner and Heater Plumbing
Air Conditioner and Heater Units
Air Conditioning Compressor
Air Conditioning Compressor Mounting
Air Ducts and Outlets
Automatic Transmission 4 Speed
Bands, Reverse and Kickdown
Case and Extension
Gear Train
Gearshift Controls
Oil Pump
Overdrive Gear Train
Transmission Assembly
Valve Body
Body Sheet Metal Except Doors
Aperture Panel
Cowl and Dash Panel
Floor Pans
Front Fenders
Glass and Rear View Mirror
Hood & Hood Release
Plugs
Quarter Panel and Pillar
Roof Panel
Roof Panels
Tailgate
Clutch
Clutch
Clutch Controls
Clutch Housing
Clutch Pedals
Cooling
Drive Belts
Grilles
Lines, Transmission Oil Cooler
Pulleys and Related Parts
Radiator and Related Parts
Tank, Coolant Engine
Water Pump and Related Parts
Doors and Related Parts
Exterior Mirror
Front Door
Rear Door
Weatherstrips and Seals
Electrical
Alternators
Battery Tray and Cables
Horns
Lamps - Front, Rear and Courtesy
Modules
Relays
Sensors
Single Board Engine Controllers
Spark Plugs-Cables-Coils
Starters
Switches
Wiring Repair
Wiring-Body & Accessories
Wiring-Engine & Related Parts
Wiring-Headlamp to Dash
Wiring-Instrument Panel
Emission Systems
Air Pumps
Emission Harness
Emission Labels
Vacuum Canister
Engine 5.9L Eight Cylinder
Camshafts & Valves
Crankcase Ventilation
Crankshaft, Pistion and Torque Converter
Cylinder Block
Cylinder Head
Engine Oiling
Manifolds
Timing Belt and Cover
Engine 5.9L Six Cylinder (Diesel)
Crankshaft, Piston and Torque Converter
Engine 8.0L Ten Cylinder (Truck)
Camshafts & Valves
Crankcase Ventilation
Crankshaft, Piston and Torque Converter
Cylinder Block
Cylinder Head
Engine Oiling
Manifolds
Timing Belt and Cover
Engine Mounting
Exhaust
Exhaust System
Heat Shields
Exterior Ornamentation
Decals and Tapestripes
Moldings and Ornamentation
Nameplates
Frames and Bumpers
Body Hold Down
Frames
Front Bumper and Fascia
Rear Bumper and Fascia
Front Suspension & Drive
Front Axle Assembly
Front Axle Differential
Front Axle Disconnect
Front Axle Drive Shafts
Front Axle Housing
Front Suspension
Fuel
Accelerator Pedal
Air Cleaner
Air Intake System
Fuel Lines
Fuel Pump and Sending Unit
Fuel Rail
Fuel Tank Filler Tube
Speed Control
Tank, Fuel
Throttle Body
Throttle Controls
Instrument Panel and Radios and Consoles
Consoles
Instrument Panel
Instrument Panel Cluster
Radio, Antenna, and Speakers
Interior Trim
Adjusters, Covers, Shields, and Risers
Carpet
Door Trim Panels
Door Trim Panels-Front and Rear
Front Seats and Attaching Parts
Headliner and Visor
Moldings, Scuff Plates
Rear Seats
Rear Storage Compartment
Seat Belts
Seat Belts-Front and Rear
Manual Transmission 5 Speed
Case and Extension
Fork and Rails
Gear Train
Gearshift Controls
Transmission Assembly
Manual Transmission 6 Speed
Case and Extension
Gear Shift Controls
Mopar Accessories - Component Parts
4 - Wheeling & Off Road
Audio & Electronics
Carriers & Cargo Hauling
Driving Convenience
Exterior Appearance
Exterior Protection
Fog Lights & Electrical
Security
Parking Brake
Parking Brake Lever and Cables
Propeller Shafts and U-Joints
Propeller Shaft
Rear Axle
Differential and Housing
Rear Axle
Rear Axle Vent
Rear Suspension
Rear Stabilizer
Rear Suspension
Service Brakes
Brake Lines and Hoses
Brake Master Cylinder
Brake Pedals
Front Brakes
Power Brake Booster
Rear Brakes
Steering
Power Steering Hoses
Power Steering Pump
Steering Column
Steering Gear
Steering Linkage
Steering Wheel
Transfer Case Model 241 [DHE, DHG, DHH]
Case and Related Parts
Fork and Rails
Gear Train
Gearshift Controls
Transfer Case Assembly
Wheels, Covers and Jacks
Jack Stowage
Spare Tire Stowage
Wheel Covers and Center Caps
Wheels and Hardware
Wiper/Lock Cylinder and Keys
Lock Cylinders and Keys
Windshield Wiper and Washer Systems
Air Conditioning & Heater
Air Conditioner and Heater Controls
Air Conditioner and Heater Plumbing
Air Conditioner and Heater Units
Air Conditioning Compressor
Air Conditioning Compressor Mounting
Air Ducts and Outlets
Automatic Transmission 4 Speed
Bands, Reverse and Kickdown
Case and Extension
Gear Train
Gearshift Controls
Oil Pump
Overdrive Gear Train
Transmission Assembly
Valve Body
Body Sheet Metal Except Doors
Aperture Panel
Cowl and Dash Panel
Floor Pans
Front Fenders
Glass and Rear View Mirror
Hood & Hood Release
Plugs
Quarter Panel and Pillar
Roof Panel
Roof Panels
Tailgate
Clutch
Clutch
Clutch Controls
Clutch Housing
Clutch Pedals
Cooling
Drive Belts
Grilles
Lines, Transmission Oil Cooler
Pulleys and Related Parts
Radiator and Related Parts
Tank, Coolant Engine
Water Pump and Related Parts
Doors and Related Parts
Exterior Mirror
Front Door
Rear Door
Weatherstrips and Seals
Electrical
Alternators
Battery Tray and Cables
Horns
Lamps - Front, Rear and Courtesy
Modules
Relays
Sensors
Single Board Engine Controllers
Spark Plugs-Cables-Coils
Starters
Switches
Wiring Repair
Wiring-Body & Accessories
Wiring-Engine & Related Parts
Wiring-Headlamp to Dash
Wiring-Instrument Panel
Emission Systems
Air Pumps
Emission Harness
Emission Labels
Vacuum Canister
Engine 5.9L Eight Cylinder
Camshafts & Valves
Crankcase Ventilation
Crankshaft, Pistion and Torque Converter
Cylinder Block
Cylinder Head
Engine Oiling
Manifolds
Timing Belt and Cover
Engine 5.9L Six Cylinder (Diesel)
Crankshaft, Piston and Torque Converter
Engine 8.0L Ten Cylinder (Truck)
Camshafts & Valves
Crankcase Ventilation
Crankshaft, Piston and Torque Converter
Cylinder Block
Cylinder Head
Engine Oiling
Manifolds
Timing Belt and Cover
Engine Mounting
Exhaust
Exhaust System
Heat Shields
Exterior Ornamentation
Decals and Tapestripes
Moldings and Ornamentation
Nameplates
Frames and Bumpers
Body Hold Down
Frames
Front Bumper and Fascia
Rear Bumper and Fascia
Front Suspension & Drive
Front Axle Assembly
Front Axle Differential
Front Axle Disconnect
Front Axle Drive Shafts
Front Axle Housing
Front Suspension
Fuel
Accelerator Pedal
Air Cleaner
Air Intake System
Fuel Lines
Fuel Pump and Sending Unit
Fuel Rail
Fuel Tank Filler Tube
Speed Control
Tank, Fuel
Throttle Body
Throttle Controls
Instrument Panel and Radios and Consoles
Consoles
Instrument Panel
Instrument Panel Cluster
Radio, Antenna, and Speakers
Interior Trim
Adjusters, Covers, Shields, and Risers
Carpet
Door Trim Panels
Door Trim Panels-Front and Rear
Front Seats and Attaching Parts
Headliner and Visor
Moldings, Scuff Plates
Rear Seats
Rear Storage Compartment
Seat Belts
Seat Belts-Front and Rear
Manual Transmission 5 Speed
Case and Extension
Fork and Rails
Gear Train
Gearshift Controls
Transmission Assembly
Manual Transmission 6 Speed
Case and Extension
Gear Shift Controls
Mopar Accessories - Component Parts
4 - Wheeling & Off Road
Audio & Electronics
Carriers & Cargo Hauling
Driving Convenience
Exterior Appearance
Exterior Protection
Fog Lights & Electrical
Security
Parking Brake
Parking Brake Lever and Cables
Propeller Shafts and U-Joints
Propeller Shaft
Rear Axle
Differential and Housing
Rear Axle
Rear Axle Vent
Rear Suspension
Rear Stabilizer
Rear Suspension
Service Brakes
Brake Lines and Hoses
Brake Master Cylinder
Brake Pedals
Front Brakes
Power Brake Booster
Rear Brakes
Steering
Power Steering Hoses
Power Steering Pump
Steering Column
Steering Gear
Steering Linkage
Steering Wheel
Transfer Case Model 241 [DHE, DHG, DHH]
Case and Related Parts
Fork and Rails
Gear Train
Gearshift Controls
Transfer Case Assembly
Wheels, Covers and Jacks
Jack Stowage
Spare Tire Stowage
Wheel Covers and Center Caps
Wheels and Hardware
Wiper/Lock Cylinder and Keys
Lock Cylinders and Keys
Windshield Wiper and Washer Systems
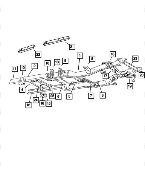
1
Chassis Frame Assembly
Mopar
CHASSIS
(Unavailable)
Chassis Frame Assembly
Mopar
CHASSIS
(Unavailable)
Chassis Frame Assembly
Mopar
CHASSIS
(Unavailable)
Chassis Frame Assembly
Mopar
CHASSIS
(Unavailable)
10
Rear Right Rail
Mopar
(Unavailable)
11
Rear Left Rail
Mopar
(Unavailable)
12
Cab Mounting Bracket Assembly
Mopar
(Unavailable)
14
Shackle Bracket
Mopar
(Unavailable)
15
Spring Pivot Bracket
Mopar
(Unavailable)
15
Spring Pivot Bracket
Mopar
(Unavailable)
16
Idler Arm Bracket
Mopar
(Unavailable)
17
Upper Control Arm Bracket
Mopar
(Unavailable)
18
$56.39
Jounce Bumper Cup
Mopar
2
Rivet
Mopar
(Unavailable)
22
Center Bearing Mount Crossmember
Mopar
(Unavailable)
23
Radiator Crossmember
Mopar
(Unavailable)
24
K Type Crossmember
Mopar
(Unavailable)
25
Shock Mounting Bracket
Mopar
(Unavailable)
3
Hex Nut-coned Washer Nut And Washer
Mopar
.375-16
(Unavailable)
Hex Nut-coned Washer Nut And Washer
Mopar
.375-16
(Unavailable)
4
Parking Brake Bracket
Mopar
(Unavailable)
5
Fuel Tank Crossmember
Mopar
(Unavailable)
6
Rear Spring Front Crossmember
Mopar
(Unavailable)
7
Transmission Crossmember
Mopar
(Unavailable)
8
Frame Bracket
Mopar
(Unavailable)
9
$51.20
Cab Mounting Bracket Assembly
Mopar
No.
Part # / Description
/ Price
Price
N/A
Jounce Bumper Bracket
52038233
Mopar
View Details
View Details
N/A
Shock Absorber Bracket
5072920AA
Mopar
View Details
View Details
1
Chassis Frame Assembly
52020237AH
Mopar
Description:
CHASSIS
View Details
View Details
1
Chassis Frame Assembly
52020333AH
Mopar
Description:
CHASSIS
View Details
View Details
1
Chassis Frame Assembly
52020331AH
Mopar
Description:
CHASSIS
View Details
View Details
1
Chassis Frame Assembly
52020338AH
Mopar
Description:
CHASSIS
View Details
View Details
2
Rivet
104114
Mopar
View Details
View Details
3
Hex Nut-coned Washer Nut And Washer
6025011
Mopar
Description:
.375-16
View Details
View Details
3
Hex Nut-coned Washer Nut And Washer
154732
Mopar
Description:
.375-16
View Details
View Details
4
Parking Brake Bracket
52020439AC
Mopar
View Details
View Details
5
Fuel Tank Crossmember, Rear
52057524AB
Mopar
View Details
View Details
6
Rear Spring Front Crossmember
52057525AB
Mopar
View Details
View Details
7
Transmission Crossmember
5003051AC
Mopar
View Details
View Details
8
Frame Bracket
5016868AA
Mopar
View Details
View Details
9
Cab Mounting Bracket Assembly
5016874AA
Mopar
View Details
View Details
10
Rear Right Rail
52057860AD
Mopar
View Details
View Details
11
Rear Left Rail
52057861AD
Mopar
View Details
View Details
12
Cab Mounting Bracket Assembly
5016876AA
Mopar
View Details
View Details
14
Shackle Bracket
52058658
Mopar
View Details
View Details
15
Spring Pivot Bracket
5017109AA
Mopar
View Details
View Details
16
Idler Arm Bracket
52058603
Mopar
View Details
View Details
17
Upper Control Arm Bracket
52058604AD
Mopar
View Details
View Details
18
Jounce Bumper Cup, Right Or Left
52058224
Mopar
MSRP
$84.95
$56.39
-
+
Add to Cart
MSRP
$84.95
$56.39
-
+
Add to Cart
22
Center Bearing Mount Crossmember
52019613
Mopar
View Details
View Details
23
Radiator Crossmember
5015412AB
Mopar
View Details
View Details
24
K Type Crossmember
4773168AB
Mopar
View Details
View Details
25
Shock Mounting Bracket
52058071
Mopar
View Details
View Details
1
Chassis Frame Assembly
Mopar
CHASSIS
(Unavailable)
Chassis Frame Assembly
Mopar
CHASSIS
(Unavailable)
10
Shackle Bracket
Mopar
(Unavailable)
11
Rear Right Rail
Mopar
(Unavailable)
12
Rear Left Rail
Mopar
(Unavailable)
13
$51.20
Cab Mounting Bracket Assembly
Mopar
16
Spring Pivot Bracket
Mopar
(Unavailable)
16
Spring Pivot Bracket
Mopar
(Unavailable)
17
Idler Arm Bracket
Mopar
(Unavailable)
18
Upper Control Arm Bracket
Mopar
(Unavailable)
19
$56.39
Jounce Bumper Cup
Mopar
2
Rivet
Mopar
(Unavailable)
21
Frame To Body Adapter
Mopar
(Unavailable)
22
Frame Bracket
Mopar
(Unavailable)
23
Radiator Crossmember
Mopar
(Unavailable)
24
K Type Crossmember
Mopar
(Unavailable)
25
Shock Mounting Bracket
Mopar
(Unavailable)
3
Hex Nut-coned Washer Nut And Washer
Mopar
.375-16
(Unavailable)
Hex Nut-coned Washer Nut And Washer
Mopar
.375-16
(Unavailable)
4
Parking Brake Bracket
Mopar
(Unavailable)
5
Fuel Tank Crossmember, Rear
Mopar
(Unavailable)
6
Rear Spring Front Crossmember
Mopar
(Unavailable)
7
Transmission Crossmember
Mopar
(Unavailable)
8
Frame Bracket
Mopar
(Unavailable)
9
Cab Mounting Bracket Assembly
Mopar
(Unavailable)
No.
Part # / Description
/ Price
Price
N/A
Jounce Bumper Bracket
52038233
Mopar
View Details
View Details
N/A
Shock Absorber Bracket
5072920AA
Mopar
View Details
View Details
1
Chassis Frame Assembly
52020427AH
Mopar
Description:
CHASSIS
View Details
View Details
1
Chassis Frame Assembly
52020524AH
Mopar
Description:
CHASSIS
View Details
View Details
2
Rivet
104114
Mopar
View Details
View Details
3
Hex Nut-coned Washer Nut And Washer
6025011
Mopar
Description:
.375-16
View Details
View Details
3
Hex Nut-coned Washer Nut And Washer
154732
Mopar
Description:
.375-16
View Details
View Details
4
Parking Brake Bracket
52020439AC
Mopar
View Details
View Details
5
Fuel Tank Crossmember, Rear
52057524AB
Mopar
View Details
View Details
6
Rear Spring Front Crossmember
52057525AB
Mopar
View Details
View Details
7
Transmission Crossmember
5003051AC
Mopar
View Details
View Details
8
Frame Bracket
5016868AA
Mopar
View Details
View Details
9
Cab Mounting Bracket Assembly
5016876AA
Mopar
View Details
View Details
10
Shackle Bracket
52058658
Mopar
View Details
View Details
11
Rear Right Rail
52057860AD
Mopar
View Details
View Details
12
Rear Left Rail
52057861AD
Mopar
View Details
View Details
13
Cab Mounting Bracket Assembly
5016875AA
Mopar
View Details
View Details
16
Spring Pivot Bracket
5017109AA
Mopar
View Details
View Details
17
Idler Arm Bracket
52058603
Mopar
View Details
View Details
18
Upper Control Arm Bracket
52058604AD
Mopar
View Details
View Details
19
Jounce Bumper Cup, Right Or Left
52058224
Mopar
MSRP
$84.95
$56.39
-
+
Add to Cart
MSRP
$84.95
$56.39
-
+
Add to Cart
21
Frame To Body Adapter
52058418
Mopar
View Details
View Details
22
Frame Bracket
52058068
Mopar
View Details
View Details
23
Radiator Crossmember
5015412AB
Mopar
View Details
View Details
24
K Type Crossmember
4773168AB
Mopar
View Details
View Details
25
Shock Mounting Bracket
52058071
Mopar
View Details
View Details