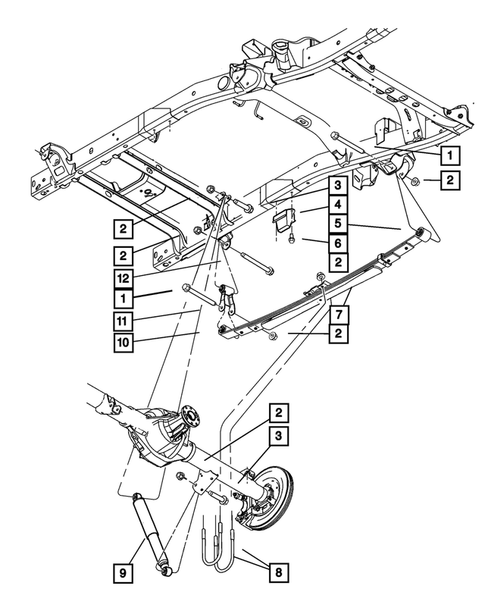
Rear Suspension for 2002 Dodge Ram 1500
No.
Part # / Description / Price
Price
2
Hex Flange Lock Nut, Mounting
Mopar
Mopar Description: M14x2.00. Differential Cover to Frame
MSRP $11.95
$8.53
MSRP $11.95
$8.53
3
Hex Flange Head Bolt
Mopar
Mopar Description: M14x2.00x90.00. Front Shock Absorber To Lower Control Arm
MSRP $17.95
$12.89
MSRP $17.95
$12.89
6
MSRP $6.95
$4.90
12
Hex Flange Head Bolt, Mounting
Mopar
Mopar Description: M14x2.00x130.00. Shackle to Frame
MSRP $16.90
$12.10
MSRP $16.90
$12.10
13
MSRP $74.70
$51.41
2 This part contains hazardous materials. Extra shipping costs apply.
