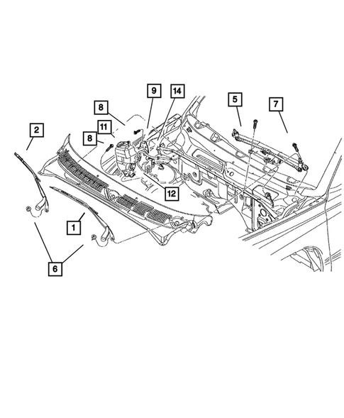
Windshield Wiper and Washer Systems for 2002 Dodge Durango
No.
Part # / Description / Price
Price
N/A
N/A
MSRP $40.90
$29.65
N/A
MSRP $33.05
$23.78
N/A
6
MSRP $11.65
$8.41
7
Implement Attaching Bolt And Washer
Mopar
Mopar Description: Grab Handle Attachment Screw M6X1.00X30.00
MSRP $9.30
$6.72
MSRP $9.30
$6.72
12
