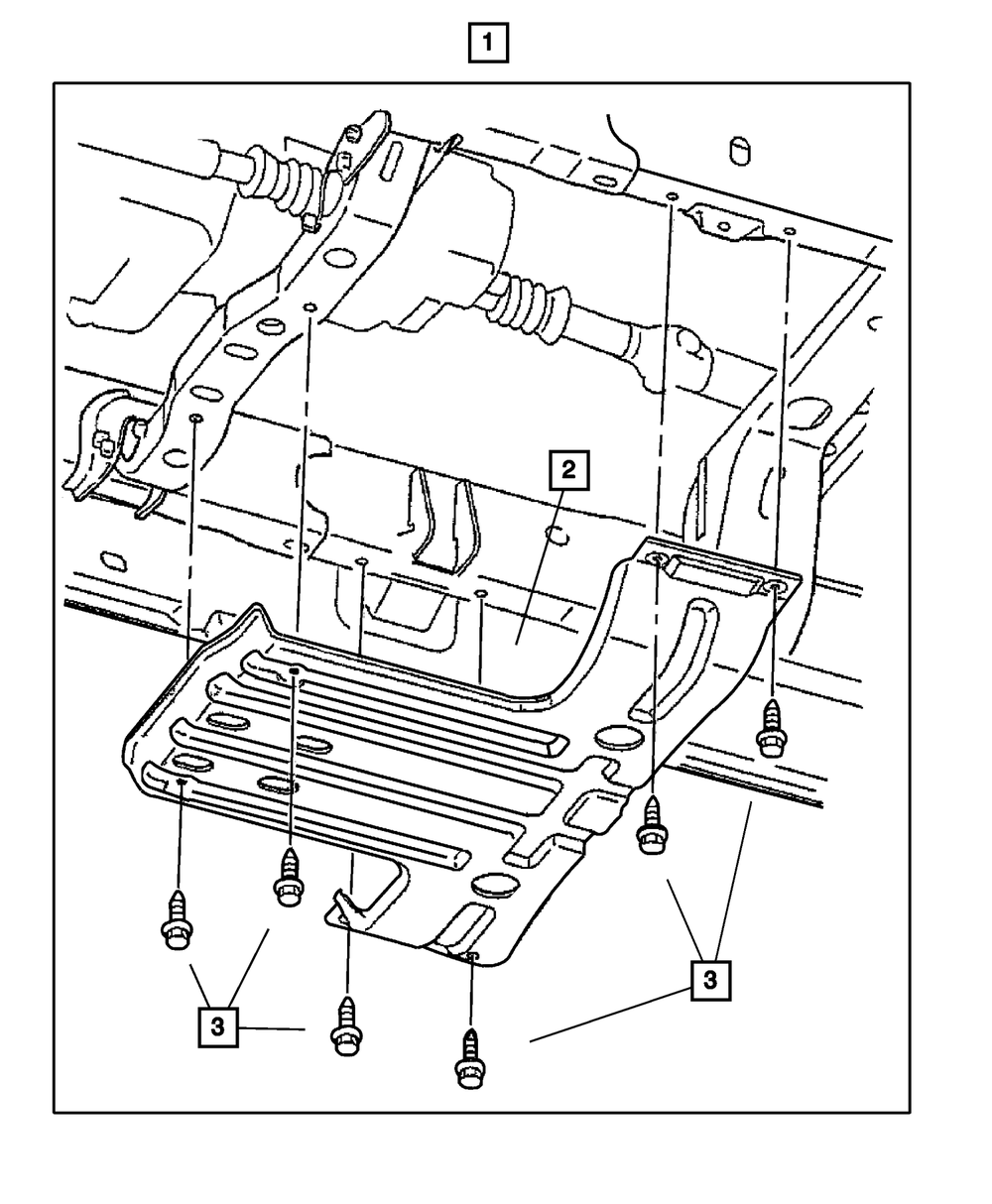
Skid - Transfer Case Plate Package - Mopar (82207215)
Also Purchased
Vehicle Fitment
Select your vehicle Browse Catalog
Reagle CDJR Parts
Shop authentic Mopar parts here at Reagle CDJR Parts. Our entire catalog of Mopar parts and accessories are genuine straight form the original manufacturer. Use our VIN lookup tool to ensure that you have the perfect fit for your vehicle. Orders can be shipped directly to your door!
